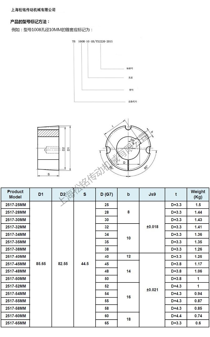
锥套TB2517-42 SONGMTC品牌 材质HT250,表面磷化处理,可以根据客户需求非标定制孔径及键槽尺寸。
锥套TB2517-42 SONGMTC
咨询订购电话 18621008099
锥套皮带轮SPA63-2-1108
锥套皮带轮SPA50-2-1108
SPA63-1-1108皮带轮
SPA67-1-1108皮带轮
联系人:苏先生
手 机:18621008099
邮 箱:stone_shu@shcoupling.com
公 司:上海松铭传动机械有限公司
地 址:上海市松江区车墩镇汇桥村(靠近汇北公路)